.jpg)
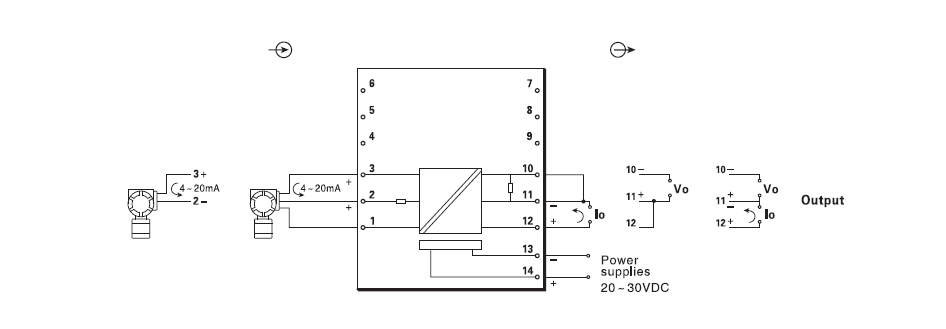
CML2020D 電流信(xin)号輸入配電隔離(lí)器(一入一出)
CML2020D 配電(diàn)隔離器是向現場(chang)的變送器提供隔(gé)離的電源電🏃🏻♂️壓🏃🏻,并(bìng)将⁉️變送器産生的(de) 4~20mA信号經本隔離器(qì)轉換成所需的直(zhí)流信号至🌈控制💋系(xi)統或其它智能儀(yi)表。LDG8041電😍流信号輸入(rù)配電隔離器需要(yao)🏃🏻獨立供👉電,供電電(diàn)源-輸入回路-輸出(chu)回路之間電磁隔(gé)離。 一、CML2020D 配電隔離器(qi)特性: 1、給變送器提(tí)供驅動電壓16.5~28V; 2、将變(bian)送🔅器4~20mA信号隔離傳(chuan)送,其它所需的直(zhí)流信号; 3、模塊化表(biao)芯設計,無需零點(dian)和滿度調節; 4、單通(tong)道,一路輸入❓一路(lu)輸出,輸入回路短(duan)路保護; 5、帶有💞工作(zuo)電源指示燈;
| ? |
|
•
•· •
·
•›