.jpg)
一.産品(pin)概述
|
YPF系(xi)列膜片(piàn)壓力表(biǎo)适用于(yu)測量具(jù)有一定(ding)腐蝕性(xìng)、非🌏凝固(gù)或✨非結(jié)晶的各(gè)種流體(ti)介質的(de)壓力或(huo)負壓。膜(mo)片壓力(lì)表耐腐(fǔ)蝕性能(neng)取決于(yú)膜片材(cái)料。 |
|||||||||||||||||||||||||||||
|
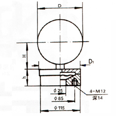
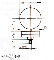
膜片壓(yā)力表由(you)測量系(xi)統(包括(kuò)法蘭接(jiē)頭、波紋(wen)膜片)、傳(chuán)動指示(shi)機構(包(bāo)括連杆(gǎn)、齒輪傳(chuán)動機構(gou)、指針和(hé)度盤)和(hé)外殼✊(包(bāo)括表殼(ke)和罩🐪圈(quan))等組成(chéng)。膜片壓(ya)力表外(wai)殼爲防(fáng)🙇♀️濺結構(gou),具有較(jiào)🐉好的密(mì)⚽性,故能(néng)保護其(qí)内部機(ji)構免受(shòu)污穢浸(jìn)入。 |
|||||||||||||||||||||||||||||
| 三(san).主要技(ji)術指示(shì) | |||||||||||||||||||||||||||||
|
精确度(dù)等級:2.5 四(sì).産品型(xíng)号 |
|||||||||||||||||||||||||||||
|
|||||||||||||||||||||||||||||
| 五.标(biāo)度範圍(wei)、外形尺(chǐ)寸及重(zhong)量 | |||||||||||||||||||||||||||||
|
|||||||||||||||||||||||||||||
| 六.導(dǎo)壓系統(tǒng)及外殼(ké)等主要(yao)零件的(de)材質 | |||||||||||||||||||||||||||||
|
|||||||||||||||||||||||||||||
|
|||||||||||||||||||||||||||||
|
|||||||||||||||||||||||||||||
|
|||||||||||||||||||||||||||||
••
›